作者: 来源: 日期:2018-07-06 浏览:54次
今天将非常详细地介绍一些比率装置和非比率定标技术,使读者能够根据他们特定的需要来判断其适用性。
在90年代,人们从事计量学工作的方式是,通过仔细的工作建立基本单位,如欧姆、伏特、法拉等,然后再用定标实验来扩展其应用范围。定标就是给量建立一个标尺,其内容是建立基本单位的精确已知的倍数。在电学计量中,最常用的定标技术是比率。比率就是从某一等级的一个量,按比例求出同一个量另一个等级的数值。
由于没有国家的比率标准作为依据来校准其它的比率标准,所以对比率装置的评定是一种独立的实验。比率实验必须周密地设计和实施,以便考虑到实验中所有重要的误差来源。作为量的一个值和另一个值之间关系的表达式,比率是无量纲的。
人们一直有一种倾向,认为比率装置不需要校准,对它没有溯源性的要求。这是不对的,因为要能够准确地、精密地实现某一个量的某一给定的比率,需要适当的设备、环境和技术。所以,谨慎的计量学家会通过对比率装置进行校准,或者与别的比率装置校准过的其它设备进行比较,来校验比率的准确度。
非比率定标技术
用非比率实验建立基本量的倍数的经典例子,是如图所示的用来得到标准千克的倍数和分数的比较实验。
串联电池
电学计量中的一个例子是,使用几个标准电池串联起来,以建立一个等于标准电池平均电压n倍的电压。然后,使用开尔文-瓦利分压器(福禄克公司的720A),用这个已知电压来对另一个10V电平的电压进行标定(stand-ardize)。
这个标定的过程如下:
1.将10V电压源预先调节到10V±0.01%
2.将开尔文-瓦利分压器的度盘设置为
式中:∑Vcell=9个标准电池的证书电压之和,大约为9.16V。
3.在开尔文-瓦利分压器和串联电池之间连接检零计。
4.调节10V电压源,在检零计上获得检零指示。
这种方法有几个问题。开尔文-瓦利分压器不具有足够的分辨度,用来驱动开尔文-瓦利分压器的电压源引入了附加的噪声和漂移。而且,最重要的是,串联叠加的标准电池会引入附加的泄漏通路,这就使得电池串联后得到的电压和电池电压之和不相同。
布鲁斯·菲尔德法
1985年6月,NIST的布鲁斯·菲尔德(Bruce Field)博士报告了另一种通过累积电压来建立接近10 V的已知电压的方法。他首先把10个1 kΩ的电阻器串联,在这些电阻器的11个连接点都有电压抽头。
将一个稳定的10.18 V的电压源(经过改制的福禄克公司的732A)接到该电阻器串的输入端,使得每个电阻器上的电压大约为1.018 V。
然后,用差分测量的方法,将每个电阻器上的电压和4个准确已知的标准电池的电压一一进行比较。由于该差动被测电压在微伏的数量级,所以DMM的准确度对测量结果没有很大的影响。
完成这些测试以后,布鲁斯·菲尔德博士就有了一组精密已知的电压,其电压范围从l.018 V到10.18 V,步进值为l.018 V。这样就可以用这组电压来校准这个范围内的其它非标准电压,并曾用来校验DMM的线性度。菲尔德的这个方法曾用作NIST校准服务的基础,可以在10 V电平提供0.3ppm的不确定度。
注意,在测量10 V的标准时,DMM只需要测量大约0.18 V的电压,此电压值不到总电压的2%。在线性度已知的情况下,校准到几个ppm的DMM对于测量准确度没有很大的影响。
使用阻值为主分压器的电阻器阻值的十分之一的电阻器,可以构成第二个十进分压器。通过和一个单个电阻器两端的电压降进行比较[1]”,就可以校准第二个十进分压器。在此情况下,电阻器串上的总电压是已知的,而单个电压可以从差值电压计算出来。
从原理上说,累积技术可以用来产生电阻标准的倍数和分数。然而,由于有很多问题,这种技术不常用于高准确度的测量工作。对于按4端电阻来进行测量的电阻器来说,接触电阻和连接导线的电阻都是问题。对于大于1 MΩ的电阻器来说,1012Ω数量级的泄漏电阻将引起1ppm水平的误差。
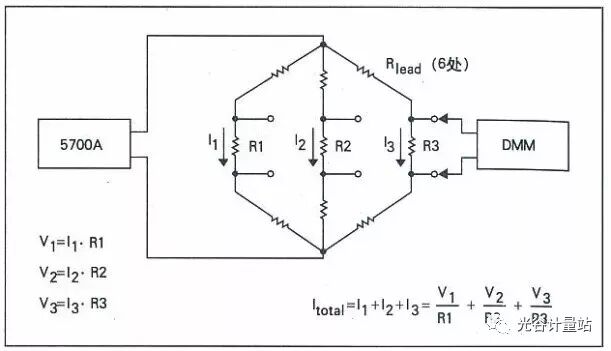
直流电流的标定
用累积的方法扩展测量范围的最后一个例子,是直流电流的标定(standardizing)。通常,直流电流的标定是通过测量一个已知的高准确度电阻器上的电压降来进行的。如果被测的电流不大于校准该电阻器时所用的电流,那么这种方法是很有效的。
然而,在电流更大的情况下,电阻器的功率系数和电压系数都可能产生问题。使被测电流流过几个互相并联的准确已知的电阻器,然后再测量每个电阻器上的电压降,就可以避免这个问题。
这时,电流的分配情况决定于每个电阻器的电阻值和在连接时引入的附加的接触电阻和连接电阻的数值。用这种方法可以准确地确定电路中每个支路的电流。在没有明显泄漏电阻影响的情况下,各个支路电流之和一定等于总的电流。还可以把这个实验扩展到在更大电流下校准单个电阻器,这为以后的测量提供了一个更简单的实验方法。
量子标准方法
另一种非比率的替代方法,是使用量子标准来得到基本单位的倍数和分数。当代最显著的例子就是最初在N1ST研究出来的约瑟夫逊结阵列电压标准。这种装置能够产生±l00 μV到±10 V范围内的精确已知的电压。这种装置的一项应用是准确地校准电压和电阻的比率。
当比率大于100:1时,因为找不到合适的检零计,使用约瑟夫逊阵列的方法受到限制。将来,可能采用超导量子干涉器件(SQUID)检测器来扩展其使用的范围。这种检测器在大约4K的温度之下工作,并且实际上不受限制普通室温检测器性能的约翰逊噪声和其它噪声的影响。


Email:ovmc@ggjlz.com,yuyan@ggjlz.com 地址:东湖新技术开发区高新五路80号 邮编:430205 技术支持:金百瑞
©2017武汉光谷长盈通计量有限公司 ALL RIGHT RESERVED鄂ICP备17005403号-1 鄂公网安备 42011102002761号